• 回到顶部
  • 0755-82221901
  • E+H专家
  • 加微信询价

搜索

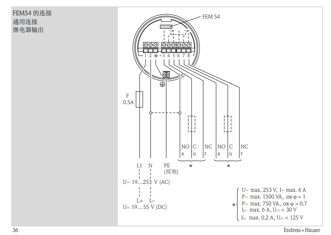
FTM50/FTM51继电器(FEM54)连接和功能

网站首页    技术支持    安装接线    FTM50/FTM51继电器(FEM54)连接和功能
2021-09-30 10:02
浏览量:294
收藏