FMX21简单调试
1.产品功能介绍
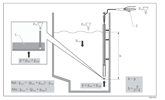
陶瓷传感器是非充油型(干式)测量单元,即过程压力直接作用在Waterpilot FMX21的坚 固陶瓷过程隔离膜片上。压力补偿管将大气压变化传输至陶瓷过程隔离膜片背面,并进行补偿。陶瓷过程隔离膜片的形变会产生与压力呈比例关系的电容变化量,陶瓷载体中 的电极测量此电容变化量。电子部件将电容变化量转换成与压力呈比例关系的信号,信号与介质液位呈线性关系。

1.陶瓷传感器 2 压力补偿管 h 液位高度 P总压力= 大气压力+ 静压力 ρ介质密度 g 重力加速度
Phydr.静压力 Patm 大气压力 Psens 传感器上的显示压力值
2.连接设备
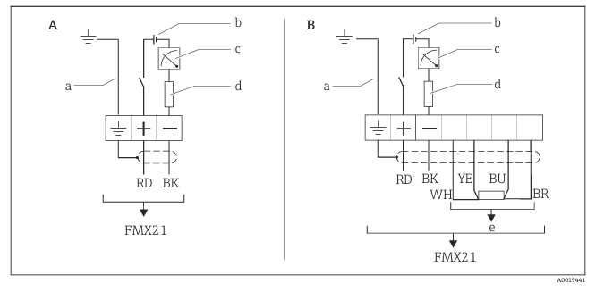
FMX21+PT100接线图
FMX21接线 RD红+,BK黑 -,黄绿为地线

A 仪表 B 仪表 + Pt100(非防爆区)a 不适用外径29 mm (1.14 in)的仪表 b 10.5 … 30 VDC(防爆区)、10.5 … 35 VDC c 4 … 20 mA d电阻(RL)e Pt100
2024-01-30 14:33
ꄘ浏览量:1304
友情链接
服务范围
工业自动化产品专业代理,品质保证
技术领先,价格优势,报价迅速,产品全面
技术选型,产品报价,销售安装,工程售后,为您提供工业自动化一站式服务
自动化专业销售
Tel. 19925440503(微信同号) WhatsApp: +86 18576429229
联系工程师
扫码添加WhatsApp
