CM42变送器-DO溶解氧基本调试
CM42变送器+DO溶解氧基本调试
1安装
CM42共有4种安装方式,如下:
1.1水平管道安装

1.2竖直管道安装

注:水平和竖直管道安装需要额外订购安装附件。
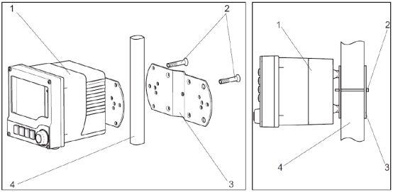
1.3墙式安装(可选气候防护罩)

1.4盘装

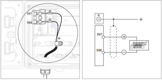
2接线
注:按照下图进行塑料外壳接地以及电缆接地。

2.1电源/信号接线
2.1.1一路电流输出和两路电流输出(可选)

注:供电电压容许范围是12.5 to 30 VDC。
2.1.2 Foundation Fieldbus和Profibus PA总线接线共有如下三种方式可选。



注:供电电压容许范围是9 to 32 V DC。
2.2 Memosens数字传感器接线

1)棕、白、绿、黄四根电缆线分别连接到187, 188 , 197 , 198号端子。
2)传感器电缆屏蔽层需接地。
注:须保证所有的缆塞拧紧、密封。
3按键功能
按下软键:直接选择菜单

旋转浏览器:在菜单中移动光标

按下浏览器:选择功能

旋转浏览器:改变数值

按下浏览键:接受新数值

4设置
4.1量程设置
在“测量参数/电流输出”菜单下设置“起始值”和“终值”。具体菜单位置如下:

4.2变送器复位
在“诊断/维修服务/出厂默认设置"菜单下选择“出厂默认设置”,设备进行重启, 并且所有设置都复位为出厂设置。
5标定
进入“标定” 菜单,选择选择"Air 100%rf”,按 照菜单提示完成斜率标定。主要步骤如下:
1)把探头从介质中取出,清洗干净并且擦干。
2)在空气中等待测量值稳定。
3)稳定后选择Start calibration。
4)标定结束后显示状态:标定是否有效。选择“存储数据以作修整”或"丢弃数据”当测量超纯水中的痕量溶解氧( ppb级)时,须使用零点标液进行零点标定。
1)把半瓶零点粉加入1升自来水中充分溶解,然后把极化完全的传感器放入零点标液中。
2)按CAL键,进入“标定溶解氧/零点” 菜单进行零点标定。
备注:
注意传感器的极化时间,有的传感器需要12小时才全极化。示定时超过1 nA警告, 超过3nA报警,提示零
点标定失败!
6常见故障代码
变送器持续进行自我监控。如果设备检测到错误就会亮起红色报警发光二级管。可以在“诊断/ 错误信息"菜单中读取有关错误的信息。示例如下:

7维护传感器
7.1维护COS31/41/51D/71

密封圈如果损坏需更换。
向砂纸上滴几滴水,打磨传感器前端的金阴极1分钟。
■重新注满新鲜的电解液使用螺丝刀敲打膜片帽以去
除附着的气泡。
■把新的膜片帽拧到底,防止膜片破裂。
把传感器放在空气中重新标定,防止太阳直射。
友情链接
服务范围
工业自动化产品专业代理,品质保证
技术领先,价格优势,报价迅速,产品全面
技术选型,产品报价,销售安装,工程售后,为您提供工业自动化一站式服务
自动化专业销售
Tel. 19925440503(微信同号) WhatsApp: +86 18576429229
联系工程师
扫码添加WhatsApp
