Promag 50电磁流量计接线
Promag 50电磁流量计接线
一、检查铭牌

1、订货号/系列号
2、 供电电源/频率、电源功耗(注意电源时220VAC ,还是24VDC )
3、附加信息:EPD/MSU :用空管检测电极ECC :使用电极清洗
4、输入/输出:I-OUT ( HART) : 电流输出( HART )f-OUT :频率输出STATUS-IN :状态输入
5、预留有关特殊的产品信息
6、遵守设备文件
7、设备版本的保留的附加信息(认证、证书)
8、允许环境温度范围
9、防护等级

1.系列号
2.电流输出的可能的组态A : active有源P :passive无源
3.继电器可能的组态: NO :常开继电器NC :常闭继电器
4.端子分配端子号1: AC交流L1,DC直流L+端子号2 : AC交流N , DC直流L-
5.端子号( 20-27 )的可能的组态
6.当前安装设备的软件版本
7.安装通讯的类型:如HART、 PROFIBUS PA等
8.电流通讯软件的信息(设备版本和设备描述)
9.安装日期
10.6到9点的更新的日期
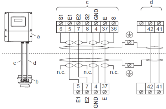
二、Promag分体式电磁流量计的传感器和变送器之间接线

a.墙装仪表外壳连接部分
b.传感器连接外壳盖
c.信号电缆.
d.线圈电流电缆n.c.不连接, 电缆屏蔽分体式电磁流量计颜色/接线端子号: 5/6=braun棕色、7/8=white白色、 4- -GND绿色、37/36=yellow黄色
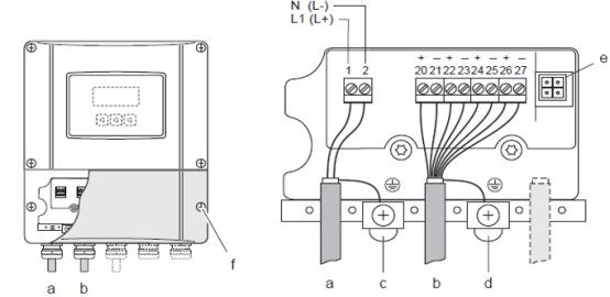
三、变送器的接线

连接变送器(铝壳) ; 电缆内径:大2.5 mm2
a、供电电缆:端子号1 : AC交流L1 , DC直流L+端
子号2 : AC交流N , DC直流L-
b、信号电缆:端子号20- -27
C、保护接地端子
d、信号电缆屏蔽的接地端子
e、连接服务借口(Fieldcheck, FieldCare)的服务接
f、连接接线腔的表盖
g、内角螺丝表盖锁扣

连接变送器(不锈钢壳) ; 电缆内径:最大2.5mm2
a、供电电缆:端子号1 : AC交流L1 , DC直流L+端子号2 : AC交流N , DC直流L-
b、信号电缆:端子号20- -27
c、保护接地端子
d、信号电缆屏蔽的接地端子
e、连接服务借口(Fieldcheck, FieldCare)的服务接
f、连接接线腔的表盖

连接变送器(墙装仪表) ; 电缆内径:最2.5mm2
a、供电电缆:端子号1 : AC交流L1 , DC直流L+端子号2 : AC交流N , DC直流L-
b、号电缆:端子号20- -27
c、保护接地端子
d、信号电缆屏蔽的接地端子
e、连接服务借口(Fieldcheck, FieldCare)的服务接
f、连接接线腔的表盖
四、端子分配

状态输入(辅助输入):电气隔离,330VDC,Ri=5kQ,可设置
状态输出:集电极开路, max.30V DC/250mA,电气隔离,可设置
频率输出(无源) :集电极开路,电气隔离,30V DC/250mA-频率输出:满量程频率2..1000Hz(fmax=i 1250Hz),开/关比1:1,脉冲宽度max.2s--脉冲输出:脉冲值和脉冲极性可选,脉冲宽度可调( 0.5...2000ms )
电流输出(有源无源) :
电气隔离,有源:...0mA,R<700Q,HART:R≥250Q
无源: 4..20mA;电源V 18 30V DC: R≤700Q
友情链接
服务范围
工业自动化产品专业代理,品质保证
技术领先,价格优势,报价迅速,产品全面
技术选型,产品报价,销售安装,工程售后,为您提供工业自动化一站式服务
自动化专业销售
Tel. 19925440503(微信同号) WhatsApp: +86 18576429229
联系工程师
扫码添加WhatsApp
